- 전체
- 한국계측기_센서
- 한국계측기_장비
- 한국계측기_악세서리
- MAGNESCALE
- XJC
- TSURUGA
- SANTEST
- MARPOSS
- SOLATRON
- HEXACON
- TESA
- PETERHIRT
- SHINKO DENKI
- CITIZEN
- BONGSHIN
- CAS
- DACELL
- JAPAN SENSOR
- HEIDENHAIN
- GERMANJET
- HIOKI
- KIKUSUI
- SOUKOU
- AE-MIC
- CHROMA
- SUZUKO
- GREEN TECH I&C
- PANASONIC
- TELEDYNE LECROY
- SIGLENT
- MULTI
- WATANABE
- ONOSOKKI
- HUJI
- RIKA
- TML
- CEDAR
- NTS
- ETC
고객센터 정보
031-223-1595
평일 08:30~17:00
점심시간 12:00~13:00
토/일/공휴일 휴무
점심시간 12:00~13:00
토/일/공휴일 휴무
-
-
-
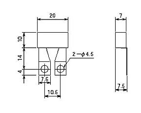
TSURUGA , 계측장비 , 신호 변환기 , 하프 사이즈 변환기78JF(디지털 연산 신호 변환기)소프트 설정 방식 디지털 연산 신호 변환기
입력신호:DC전압
출력신호:DC전압 -
-
-
-
-
-
-
-
-
-
-
-
-
-
-
-
-